Key Features
◆ VCC: 2.7V to 5.5V
◆ Average Quiescent Current: 350uA(Typ.)
◆ Standby Current: 50uA(Typ.)
◆ Local Temperature:
Accuracy: ±1.0oC(Max.) from -20oC to 80oC
Resolution: 0.0625oC
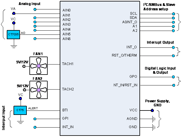
◆ 7-CH Analog Input for Voltage Monitor
◆ 2-CH Fan Speed Monitor
◆ 3-CH Logic Input for interrupt Monitor
◆ 2-CH Logic Output for interrupt Alarm
◆ Compatible with SMBus and I2C interface with speed up to 400kHz
◆ 8 different slave address by setup A0/A1/A2 pin
◆ Alarm output for over/under limit temperature
Applications
◆ Server
◆ Telecom Equipment
Package
◆ TSSOP-24
Temperature Range
◆-40 to 125oC

CT80 (Top View)
Typical Application

Ordering Information

| Order PN | Accuracy | Green1 | Package | Marking ID1 | Packing | MPQ | Operation Temperature |
| CT80MTR | ±1 oC | Halogen free | TSSOP-24 | 80 YWWAXX | Tape & Reel | 4,000 | -40oC~+125oC |